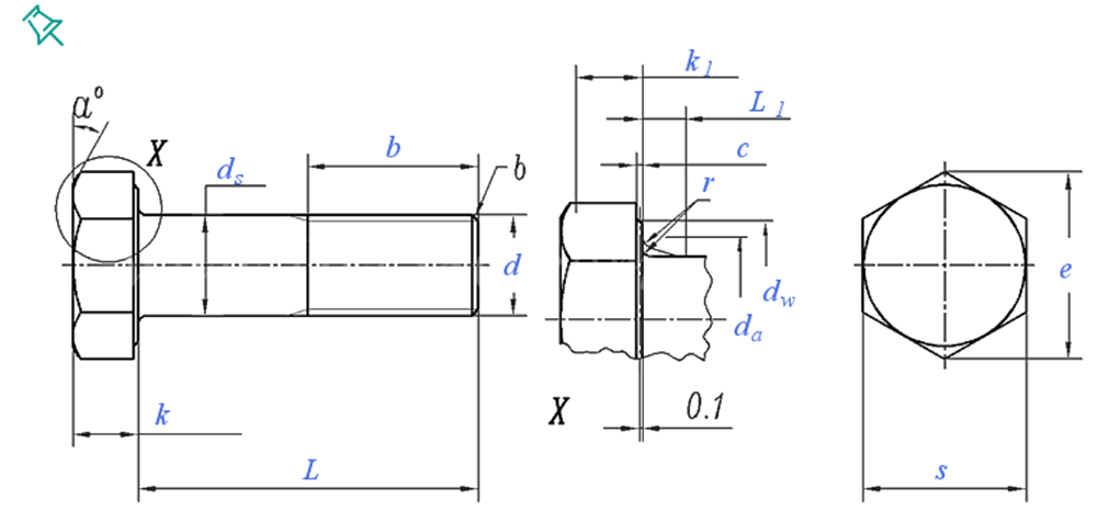
Zewnętrzne śruby sześciokątne i śruby to fundamentalne elementy mocujące za ich sześciociorystyczną konstrukcję głowy, zaprojektowane w celu zapewnienia wysokiego momentu przekładni i stabilności mechanicznej w zastosowaniach przemysłowych. Wyprodukowane ze stali węglowej (stopnie 8,8, 10,9 lub 12,9) lub niestandardowych stopów, te elementy łączące się od miniaturowych gwintów M1,6 do ciężkich średnic M64, z długościami od 12 mm do 500 mm, aby spełnić różnorodne wymagania dotyczące obciążenia. Zewnętrzna głowica sześciokątna umożliwia zaangażowanie klucza lub gniazda, zapewniając bezpieczne zaostrzenie w przestrzeni ograniczonych - krytycznych do montażu ram maszynowych, stalowych połączeń strukturalnych lub komponentów samochodowych, w których opór wibracji jest najważniejszy.
Zabiegi powierzchniowe, takie jak galwanizacja galwanizująca rdza w środowiskach zewnętrznych (np. Mosty, wieże przenoszone), podczas gdy czarne powłoki tlenkowe zmniejszają odbicie światła w precyzyjnej optyce lub sprzęcie wojskowym. Wykończenia specjalne, takie jak PTFE lub farba elektroforetyczna, zwiększają odporność chemiczną do stosowania w elektrowniach chemicznych lub urządzeniach morskich. Niestandardowe kodowanie kolorów (niebieski, czerwony) pomaga w zarządzaniu zapasami lub protokołom bezpieczeństwa, wyróżniając oceny obciążenia lub ocen materiału na miejscu. Dzięki znormalizowanym tolerancjom nici i siłom rozciągania śruby te spełniają specyfikacje ISO i ASTM, równoważenie opłacalności z wydajnością dla branż od energii odnawialnej po ciężką produkcję. Ich zdolność adaptacyjna w materiałach, powłokach i rozmiarze czyni je uniwersalnym rozwiązaniem dla inżynierów priorytetów trwałości, łatwości instalacji i zgodności z rygorystycznymi standardami mechanicznymi.


























